Впускний механізм KK Pol ZN2/109 3/8'
- Код товару: 26668
- Є в наявності
- Бренд: KK Pol
- 369 ₴
Кількість
Замовте додатково
Монтаж, сервіс чи заміна обладнання
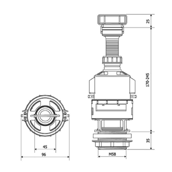
Впускний механізм KK Pol - клапан впускний для унітазу призначений для подачі і регулювання рівня води в бачку унітаза. Дія впускного клапана для бачка унітазу засноване на гідромеханічному принципі закривання впускного клапана.
Бренд
KK Pol
Висота арматури
230 мм
Колір різьби підводу
латунь
Країна реєстрації бренду
Польща
Матеріал різьби підводу
латунь
Модель
ZN2/109
Розмір підключення
3/8 дюйм
Тип виробу
впускний механізм
Тип підводу
бічний
Впускний механізм
1 шт.
























